Thank you for correcting the text in this article. Your corrections improve Papers Past searches for everyone. See the latest corrections.

This article contains searchable text which was automatically generated and may contain errors. Join the community and correct any errors you spot to help us improve Papers Past.

Article image
Article image
Article image
Article image
Article image
Article image
Article image
Article image

["Extract from New Zealand Gazatte, 18th Nov., 1909. Land taken for widening Kuripuni Land and extending Columln Road, in the Borough of Masterton. ( LB .) PLUNKET, Governor A PROCLAMATION. WHEREAS the laud mentioned in the Schedule hereto is required to be taken, under "The Public Works Act, 1.90 V for a certain public work—to wit, for the purpose of widening and extending the public streets known as kuripuni Lane and Columba Koad respectively, in the Borough of Masterton, in pursuance of the powers of "The Municipal Corporations Act, 1908" = And whereas the Council of the Borough of Masterton has laid be tore the (*overnor a memorial, accompanied by a map, and also the statutory declaration, as required by "The Public Works Act, 1903" : . . Now therefore, I, William Lee; Baron Plunket, the Governor of the Dominion of New Zealand, in pursuance and exercise of the powers and authorities in me vested by "The Public Works Act 1009," and "The Muuicipal Corporations Act, 1908," and of every other power and authority in an/wise enabling me in this behalf, do hereby proclaim and declare that, from and after the date of the publication hereof in the New Zealand Gazetti, the land mentioned in the Schedule hereto is hereby taken for the purposes of widening Kuripuni Laue and extending Columba Road as aforesaid, and shall vest in the Mayor, Councillors and Burgesses oi the Borough of Masterton.

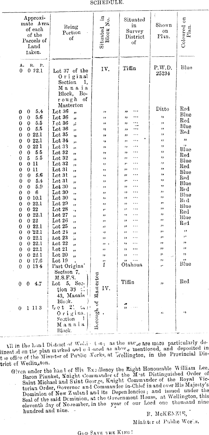
SCHEDULE. Survey District of 0 0 4.7 0 1 113 Approximate Area ~ . of each *°™B ', of the Portlon ' 1 Parcels of ot & pq of Land 33 ! - taken. J'oV Lot 37 of the IV. I Tiffin P.W.D. Blue Original | 34 Section 1, Man a i a Block, Borough of Masterfcon 0 0 5,4 Lot 36 „ ~ » - Dltto 5f d 0 0 5.6 Lot 36 „ .. » - >' g 1 " 6 0 0 5.5 Tot 36 ,; » » •» » *? d 0 0 5.5 Lot 36 „ » .. ••• » ,™ 0 0 22.1 Lot 35 „ „ „ ••• » J * ed 0 0 22.1 Lot 34, ~ ~ >. ■•■ ' 0 0 221 Lot 33 ~ » » ••■ » „•' 0 0 6.6 Lot 32 „ » » ••• •> Z"r 0 5 5.5 Lot 32 „ .» » - » £r* 0 0 11 Lot 32 „ ~ »• - ' £"?» 00 11 Lot 31 „ » » - '» s?° 0 0 5.6 Lot 81 „ .. " - ♦► p'f 0 0 5.4 Lot 31 „ » X 0 0 5.D Lot 30 „ .. » - » %"7 0 0 6 Lot 30 „ » .» - » 0 0 0 10.1 Lot 30 ~ » » - " {J "l e 0 0 22.1 Lot 29 „ » » - " f|" 0 022 Lot 28 ~ , »rr e 0 0 22.1 Lot 27 „ » •• •• " Sf,,0 022 Lot 26 „ .. » ••• " H 0 0 22.1 Lot 25 „ .. •> •■■ 0 0 122.1 Lot 21 „ •> >< ••• 0 0 22.1 Lot 23 „ » » •■• » 0 0 22.1 Lot 22 „ .. - " 0 0 22.1 Lot 21 „ .. » - 0 0 22.1 Lot 20 „ » » ■•• ". ~ '» 0 0 17.6 Lot 19 , I v » ■■• " •' 0 013 4 Part Origina' I Otahoua ~ lime i Section 7, '• | n I M.S.F.S. j J 0 0 4.7 j Lot 5, Sec- ! , j tion 33 c." j : I 43, Manaia i Blojk. } 0 1 113 Lot 21 UI 1 0r i j(i na. |, '; Feition M' g | ■ I I i mock. ',_ I [.. _ j \ll in the Lmd District of \Vt,iii • t.n ; as the are mora particularly dei„L+ „n tliP nlan unrked and o 1 -ured as ab-w taentioned, and deposited in tToffiloVthl Public York,, at Wellington, in the Provincial Distriot of Wellington. "* V the haul of Hh Exigency the Right Honourable William Lee Piunket, Knight Commander of the Distinguished Order oi Saint Michael and Sunt George, Knight Commander of the Royal Vic- ' Kan Order, Governor and Commander- in-Chief in and over His Majesty s Dominion of New Zealand and its Dependencies; and issued under the SeaTof the said Dominion, at the Government House, at Wellington, this eleventh day of No member, in the year of our Lord one thousand nine hundred and nine. - * McKEN • Miiiikr oi Public W0r"...8. God Save 'ihe King !

Specia' Advertisements. AUCTION SALE. \ T the request of the Mortgagees, and rJL under conduct of the Registrar of the Supreme Court of Now Zealand, at Wanganui, P. E. Debreceny and Co. art) instructed, by the R.-gi&trar of the Supreme Court of New Zealand, at Wanganui (anting under the powers conferred upon h'iin by "The Land Transfer Act, 1908 ") to. sell by public auction, at thenauction mart, Pahiatua, on SATURDAY, the twenty-seventh dty of November, 1909, at 2 p.m.— LOT 8 (deposited plan 281), Main Street, Pahiatua.contlining one (I) rood, with a large two-storey shop and blacksmith shop erected theroon. LOTS6Oa and 60b (deposited plan 305) Mangatainoka Street, Pahiatua. containing two (sf) roods and sixteen (16) perches, with an eight-roome i dwelling house and outbuildings erected thereon. LOTS 175,176, 195, IDS and 203 (deposited plan 325), Ford and Alexandra Streets, PaKatua, containing one (') acre two (2) roods and thirty-one (31) perches (la 2r 31p). TITLE: Land Transfer. The land is being sold under the powers of sale respectively contained or implied in Memoranda of Mortgage Registered Numbers 45377 and 5 )966. For particular.- and conditioi s of sale, \ etc., apply to the Auctioneers and to Messrs Marshall and liutton, Solicitors, Wanganui. HERE'S NEWS THAT must command the interest of all Economical residents. It tolls of savings that average 60 TO 75 PER CENT. on ordinary prices, and even more in some cases. BANKRUPT SALE OP DRAPERS STOCK OF NEW SEASON'S GOODS. Purchased at 7/3 in the pound, and to be offered to the public of Masterton at WINDFALL PRICES. All goods to be put forward are right up-to-date in every particular. Just take tirue and look at our stock. The more you compare our qualities and prices with others the moro you w*ll become impressed with our great big bargains In addition to the above th? balance of JVie3srs Hendry and Buxton's stock will be offered. Note the site—Premises lately occupied by Messrs Hendry and Buxton, opposite Knox Church, Masterton. Country residents should not buy till they have seen us. We guarantee that you cannot get similar goods for double the price elsewhere. If you can we will make you a present of ours. L. STEIN.

Special Advertisements. tijeW ZEALAND KAI LW A VS. FEILDING RACES, 30th NOVEMBER.& Ist DECEMBER. Holiday Excursion Tickets, available for return till 3rd December, will 1"< issued to Feilding on 30th November, and by morning trails, Ist IWmbor, from Wanganui, Taihapo, Foxt-n. i>aiinevirke, Masterton, and intei>u.-l *te stations. ~,»~, 111 These tickets will NOT be available by the Mail trains between Pdlmerdton and Feilding. _ On 30th November and Ist December special passenger trains, stopping at intermediate stations if required, will leave Palmerston for Feilding at 1 0.30 a.m. Return train leaving Feilding at 5.45 p m , Palmerston arrive 6.20 p.m. The morning train from Dannevirke and Masterton will connect at Terrace End with the 10.30 a.m. Bpecial from Palmerston to Feilding. The usual 5.10 p.m train to Dannevirke will be delayed each day to leave Palmerston at 6.50 p.m., Woodville 8.15 p.m., arriving Dannevirke 9.20 p.m ; and the usual 6.55 p.m. train to Masterton will be delayed to leave Woodville at 8.5 p m. (after connecting with the train ex Palmerston as above), atriving Masterton IL ° P - m - BYOHDER. TENDERS FOR LEASE. TENDERS close with the undersigned on Saturday, 27th November, 1909, at 5 p.m.— For the Lease for five years of bection 271, Block 7, Wainuioru, containing 638 acres (less 21 acres 1 rood) in the Estate cf J. H. Moody. Conditions of tender and further particulars can be seen at thb office of the undersigned. W. B. CHENNELLS, Agent Public Trustee, Masterton, 15th November, 1909. SPECIAL PURCHASE OF SAMPLES. GIRLS' AND BOYS' GALATEA HATS, | Special Prices, If, 1/11, 2/11, 3/11, 4/11 each, Lovely Range of WHITE UNDER SKIRTS, nicely trimmed with embroidery and lace. Special Price, 3/11, 6/11, 9/6, 13/6. Five Dozen MUSLIN PINAFORES, trimmed with embroidery and insertion. Special Prices, 1/-, 1/6, 2/3. 2/11, 3/11. McGRUER & CO., Late H. A. Whklch. DRAPERS, CLOTHIERS & MERCERS.

Permanent link to this item
Hononga pūmau ki tēnei tūemi

https://paperspast.natlib.govt.nz/newspapers/WAG19091127.2.2.2

Bibliographic details
Ngā taipitopito pukapuka

Wairarapa Age, Volume XXXII, Issue 9661, 27 November 1909, Page 1

Word count
Tapeke kupu
1,290

Page 1 Advertisements Column 2 Wairarapa Age, Volume XXXII, Issue 9661, 27 November 1909, Page 1

Page 1 Advertisements Column 2 Wairarapa Age, Volume XXXII, Issue 9661, 27 November 1909, Page 1

Help

Log in or create a Papers Past website account

Use your Papers Past website account to correct newspaper text.

By creating and using this account you agree to our terms of use.

Log in with RealMe®

If you’ve used a RealMe login somewhere else, you can use it here too. If you don’t already have a username and password, just click Log in and you can choose to create one.


Log in again to continue your work

Your session has expired.

Log in again with RealMe®


Alert