Thank you for correcting the text in this article. Your corrections improve Papers Past searches for everyone. See the latest corrections.

This article contains searchable text which was automatically generated and may contain errors. Join the community and correct any errors you spot to help us improve Papers Past.

Article image
Article image
Article image
Article image
Article image
Article image
Article image
Article image
Article image
Article image
Article image
Article image

NEW ZEALAND RAILWAYS.

The following is an extended return of thereceipts of the Wellington and of the Wanga--uui sections : WELLINGTON SECTION.

The following returns show tho total receipts and expenditure during the financial year 187 S-79, to tho termination o£ the four* weekly peried ending 11th January, 1879 s—-

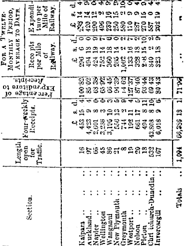
From the above return it will be seen that the Greymouth line, which is the only mineral line, and should be considered apart from the other New Zealand Railways, heads the list as usual Of the others the ChristchurchDunedin line has the beat receipts per mile, and Wellington comes next ; but Wellington expenditure is proportionally less, and consequently heads the list as the most profitable lino during the month ending January lltfa. Wanganui comes next, and Christchurch and Dunedin third.

Corns, four?* weeks. 1879. 1878. No. No. Passengers 11.131 Tons. Tons. Goods .. 3,270 1.514 No. No. Live Stock V Receipts— £ s. d. £ ». <f. Passengers, parcels, &c. 1,840 0 r . 1.02S It 1 Goods and live stock . 1,395 13 6 381 11 10 Total revenue £3,236 3 0 £11,108 7 e WANGANUI SECTION. 1870. 1878. No. No. Passengers 2,»7 Took. Tons. Goods .. ,, 1,021 No. No; Live Stock 20 Receipts— £ s. cl. £ b. a. Passengers, parcels, &c. 2,0X5 0 8 465 15 3 Goods ami live stock., 1,116 2s 6 597 10 7 Total £3,131 12 1 £1,063 6 4 Wharf dues 63 18 2 61 11 3 Total revenue £3,195 10 3 £1,127 17 S

Length Four weekly Receipts. w O O** 1st Fob a TwklteWOUTIILV 1’KllIOD, Avkkaob to Dath. Sectiou. lor Traffic. ah h P V Ecce pis per Wile of Railway. E ipondlturo per Mile of Railway. Kaipara 18 X s. d. 453 18 4 10082 £ a. d. 290 G 0 £ a. d. 14 4 Auckland 97 4,423 9 4 85 02 494 18 0 420 14 19 Napier 05 • 2.001 8 ft 68 38 424 19 9 290 12 0 Wellington 45 3,236 3 (r 6,5 915 752 14 7 496 2 4 Wanganui 86 3,1% 10 3 60 45 360 IS 6 239 19 » New Plymouth ,, 21 660 IS 6 W3S 205 14 0 250 15 3 Greymouth S 744 2 9 <•4 m 1.002 2 2 580 2 10 Waatport 19 192 11 4 127-3 r 133 16 7 1J0 9 0 Nelw>a 20 661 17 6 87-4C 328 13 2 237 9 4 Plcton 13 494 8 11 93'44j t-H 15 10 270 15 0 OUri iv-hurch-Buncdin.. 632 43,808 8 10 69 43 840 2 2 5S7 0 4, InrercargUl 167 0,018 9 a 80-43 323 18 9 262 19 4 Totals 1,094 66,386 13 1 71-96

Permanent link to this item
Hononga pūmau ki tēnei tūemi

https://paperspast.natlib.govt.nz/newspapers/NZTIM18790222.2.17

Bibliographic details
Ngā taipitopito pukapuka

New Zealand Times, Volume XXXIV, Issue 5586, 22 February 1879, Page 2

Word count
Tapeke kupu
441

NEW ZEALAND RAILWAYS. New Zealand Times, Volume XXXIV, Issue 5586, 22 February 1879, Page 2

NEW ZEALAND RAILWAYS. New Zealand Times, Volume XXXIV, Issue 5586, 22 February 1879, Page 2

Help

Log in or create a Papers Past website account

Use your Papers Past website account to correct newspaper text.

By creating and using this account you agree to our terms of use.

Log in with RealMe®

If you’ve used a RealMe login somewhere else, you can use it here too. If you don’t already have a username and password, just click Log in and you can choose to create one.


Log in again to continue your work

Your session has expired.

Log in again with RealMe®


Alert